1310nm(O波段)半導體光放大器(SOA)係(xì)列產品,主要應用於40G/100G 1310nm(4波LWDM/CWDM)光放大。支持溫度監(jiān)測和TEC熱電控製,全溫度工作範(fàn)圍穩定運行(háng)。定製化服務:可支持保偏、集成隔離器、集成PD光功率監控等更高集成度的器(qì)件訂製。
單模版本
保偏版(bǎn)本
品牌:Bonphot
|
參數 |
符號 |
工作條(tiáo)件 |
最小值 |
典型值 |
最大值 |
單位 |
|
工作波長 |
λ |
T=25℃ |
1260 |
1300 |
1340 |
nm |
|
帶寬 |
Δλ |
@-3dB |
60 |
- |
- |
nm |
|
小信(xìn)號增益 |
G |
If=120mA Pin=-25dBm |
20 |
- |
- |
dB |
|
飽和(hé)光功率 |
Psat |
If=120mA |
10 |
- |
- |
dBm |
|
飽和光(guāng)功率(lǜ)(保偏) |
Psat |
If=120mA |
`0 |
- |
- |
dBm |
|
偏振消(xiāo)光比(保偏) |
Per |
- |
20 |
- |
- |
dB |
|
工作電(diàn)流 |
If |
- |
- |
120 |
200 |
mA |
|
正向(xiàng)電壓 |
Vf |
- |
- |
- |
1.8 |
V |
|
TEC電(diàn)流 |
ITEC |
- |
- |
- |
1.8 |
A |
|
TEC電壓 |
VTEC |
- |
- |
- |
3.4 |
V |
|
偏振(zhèn)相關增益 |
PDG |
- |
- |
1 |
2 |
dB |
|
噪聲係數 |
NF |
- |
- |
7.5 |
- |
dB |
|
熱敏(mǐn)電阻阻值 |
Rtherm |
T=25℃ |
9.5 |
10 |
10.5 |
KΩ |
|
熱敏電阻電(diàn)流 |
Itherm |
- |
- |
- |
5 |
mA |
|
氣密性 |
|
T=25℃ |
1*10-12 |
1*10-11 |
1*10-8 |
Pa.m3/s。 |
|
工作溫度 |
TC |
I=Iop |
-10 |
- |
70 |
℃ |
|
存儲溫度 |
Tstg |
- |
-40 |
- |
85 |
℃ |
|
總功耗 |
P |
- |
- |
- |
4 |
W |
備注 1:氣(qì)密性數值為(wéi)管(guǎn)殼封裝數值,排除管殼外部殘留幹擾測試得出。
|
典型特性 |
|
|
|
|
|
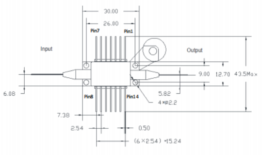
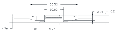
結構尺寸和管腳定義 |
|
|
|
|
|
|
|
|
訂貨信息 |
產品描述 |
|
SOA-1310-10-G20-SM-FA |
1310nm波段(duàn)-10dBm飽和輸出功(gōng)率20dB增益-蝶形封裝-單模光纖-FC/APC接頭 |
|
SOA-1310-10-G20-PM-FA |
1310nm波段-10dBm飽(bǎo)和輸出功率20dB增益-蝶形封裝-保偏光纖-FC/APC接頭 |
